18

Sep . 2025

基于英飞凌PSOC™ Control C3的交错并联式PFC+变频解决方案

分享至

1、交错并联式PFC+变频解决方案介绍

交错式功率因数校正技术,凭借其卓越的纹波抑制能力、优化的热管理、改善的EMI性能和潜在的带宽提升,已成为现代高性能AC/DC电源前端设计的基石。英飞凌这款4 KW压机变频解决方案搭配了英飞凌最新的PSOC™ Control C3控制器和Easy模块(Easy 2B),为客户提供紧凑型交错并联式PFC+变频解决方案。

2、 PSOC™ Control C3 产品介绍

PSOC™ Control C3凭借高主频与高性能特性,可轻松控制40kHz交错式PFC的开关频率,降低电感值与体积,优化BOM成本。其内置独特的电机控制外设,助力客户简化电机控制开发(CORDIC加速器、DSP/FPU、TCPWM、12 Msps ADC)。

高性能可编程模拟子系统

1.高性能可编程模拟子系统

  • 12 位12Msps SAR ADC,支持 16 个模拟通道进行并行空闲采样
  • 每个通道都配备独立采样保持器
  • 每个通道可独立配置增益(1、3、6、12)
  • 所有通道都支持同步采样模式
  • 16 个模拟通道可分配给 8 个独立的组,每组支持8路触发源
  • 支持伪差分采样模式
  • 每个通道集成限幅检测功能(助力过流/过压保护,减少CPU干预)
  • 支持 ADC DMA 和 FIFO 模式,减少 CPU 干预
  • ADC 模拟输出可直接接入CSG 比较器进行保护
  • 10 位 DAC 为比较器的输入提供参考电压
  • 提供多路触发源输出(用于关键外设同步触发)

2、灵活的TCPWM

面向不同PWM应用的灵活计数模式以及灵活的输入输出触发信号。


  • 3 个TCPWM 计数器用于产生 3 对互补 PWM 信号。1个 TCPWM 计数器用作 ADC 触发信号。电机运行时,所有 4 个 TCPWM 计数器同步。
  • 溢出事件触发 FOC 中断,并在前半个 PWM 周期内执行。
  • 所有 GPIO 均可用作 PWM 输出引脚,从而使 PCB 布局更加简便。
  • 从 AD 采样到下一次 PWM 比较更新的时间间隔仅为约半个 PWM 周期,从而显著提升电流环带宽和观测器性能。

3、基于PSOC™ Control C3的交错并联式PFC+变频解决方案

Demo板硬件

1.Demo板硬件

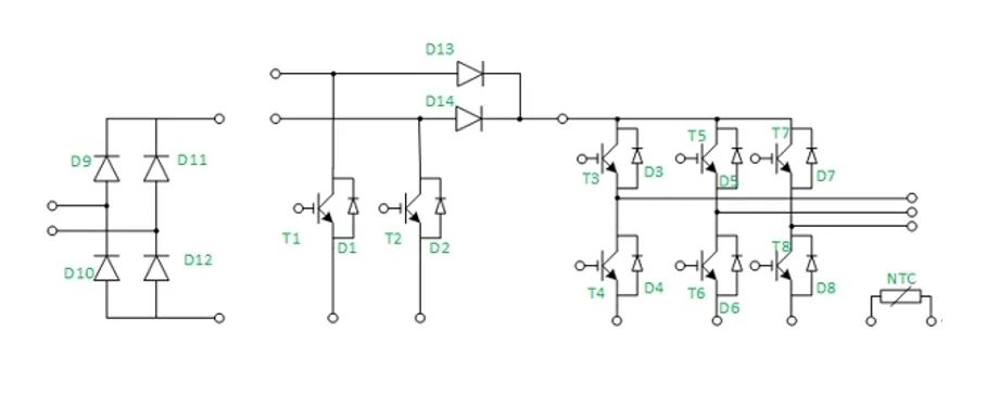
交错并联式PFC+变频解决方案由PSOC™ Control C3M5 Digital Power Control Card和4KW的功率板组成。交错并联式PFC PWM 的载频在30kHz~40kHz,Peak efficiency: 97.4%,功率因数> 98%,总谐波失真<4.6%(满载运行时)。

Interleave PFC (boost) + Compressor Control System Diagram

2.系统框图

其中功率板采用EasyPIM™ 2B集成PIM模块FB50R07W2E3_B23,它带双通道交错PFC级和三相逆变桥,采用50A Highspeed5交错PFC级,50A沟槽栅截止层IGBT 3,发射极受控Emcon3二极管的逆变三相桥,压接安装和NTC,适用于热泵/暖通空调应用。

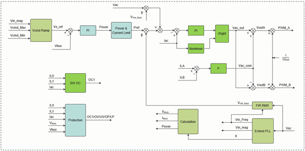
Interleave PFC 控制算法框图

3.Interleave PFC 控制算法特性

  • 支持单精度浮点数据格式
  • 支持输入频率自适应
  • 支持高度优化的软件数学函数(sin/cos/atan2),保障计算精度和效率
  • 支持非对称PWM输出模式
  • 支持电流环倍频控制模式
  • 支持电压电流双闭环模式
  • 支持电感电流平衡控制
  • 支持增强型单相PLL算法,实时检测输入频率,幅值与相位
  • 支持线性与非线性混合型电流控制器,实现全负载范围高性能控制
  • 完善的保护机制:过压/欠压/过流/过功率保护

220V, 50Hz, Power = 3kW下输出电压ripple仅16V

220V, 60Hz, Power = 3kW下输出电压ripple仅12V

4.测试波形

(1)稳定运行时的测试数据

220V, 50Hz, 0kW → 3kW

220V, 50Hz, 0kW → 3kW (zoom in)

220V, 50Hz, 3kW→ 0kW

220V, 50Hz, 3kW → 0kW (zoom in)

(2)电阻负载瞬态变化响应测试:

185V →250V 60Hz, 3kW

185V→250V 60Hz, 3kW (zoom in)

250V →185V 60Hz, 3kW

250V→185V 60Hz, 3kW (zoom in)

(3)电压瞬态变化响应测试:

可以看出在瞬态过程中也能维持输出电压的稳定。


英飞凌基于PSOC™ control C3控制器的交错PFC+变频方案,具有高集成度,高效能的特点,为客户提供了一体化的解决方案,降低了物料成本,PCB布局简洁,易于组装。


对方案感兴趣的朋友可以联系我们获取完整方案的硬件和软件资料。


点击此处,了解更多信息


文章来源:英飞凌官微

半导体组件问询单
如对本公司产品有任何问题(产品报价、技术咨询、产品文件、样品索取、合作代理等),都可通过咨询表单和我们联络,将有专人回复。
隐私权暨个人资料保护声明

STEP

01
!

有标示 必填栏位,请确实填写,谢谢

咨询需求
市场应用

咨询商品

备注内容

下一步,联系资料填写

STEP

02
!

有标示 必填栏位,请确实填写,谢谢

公司名称
所属部门
联络人
职称
联络电话
邮箱
联络地址
交货地址
是否为贸易商
验证码
订阅电子报
!

有标示 * 必填栏位,请确实填写,谢谢。

公司名称
所属部门
姓名
职称
联系电话
选择电子报语言
邮箱
验证码